DIAGNOSIS AND TESTING
PRINCIPLES OF OPERATION
For a detailed description of the Communications Network, refer to the relevant Description and Operation section in the workshop manual. REFER to: Communications Network - 110 (Module Communications Network, Description and Operation).
INSPECTION AND VERIFICATION
CAUTION: Diagnosis by substitution from a donor vehicle is NOT acceptable. Substitution of control modules does not guarantee confirmation of a fault, and may also cause additional faults in the vehicle being tested and/or the donor vehicle.
NOTES:
Visual Inspection
ELECTRICAL
CONTROLLER AREA NETWORK (CAN)
Control Module Connections to the CAN Harness
Control modules are connected to the CAN harness either in a 'loop' or 'spur' configuration. In the 'loop' type configuration the CAN harness loops into the module (via two connector pins) and then loops out of the module (via another two connector pins). In the 'spur' type configuration, a harness spur is spliced into the main 'backbone' of the CAN harness and the module is connected to the harness spur via two connector pins.
CAN Harness Architecture
For a detailed description of the CAN Networks and architecture, refer to the relevant Description and Operation section in the Workshop Manual.
CAN Network Integrity Tests
If a control module is suspected of non-communication, the Network Integrity test application available on the manufacturer approved diagnostic system can be used to confirm if communication is possible between the control modules on the vehicle and the manufacturer approved diagnostic system (via the J1962 diagnostic connector ). The results from the test can be used to determine if either a single module or multiple modules are failing to communicate.
CAN Terminating Modules
If the Network Integrity test indicates that one or more module on one of the CAN networks (HS or MS) are failing to communicate, there are several checks that can be made. The first step is to identify if both of the CAN terminating modules on each individual CAN Bus are communicating. If both CAN terminating modules for each individual CAN Bus are communicating (identified via the Network Integrity test), then it can be confirmed that the main 'backbone' of the CAN harness is complete. The main 'backbone' of the CAN harness consists of all the modules connected to the CAN harness via a 'loop' configuration and also includes the two terminating modules.
Communication with both CAN terminating modules via the Network Integrity test confirms the physical integrity of the main 'backbone' of the CAN harness (and the harness spur to the J1962 diagnostic connector). This means that there is no requirement to check the resistance of the CAN Network. This is because the standard check for 60 ohms across the CAN High and CAN Low lines will not provide any additional information regarding the physical condition of the CAN harness, beyond what has already been determined from the Network Integrity test.
Non-Communication of a Terminating Module
If a Network Integrity test reveals a terminating module is failing to communicate it can indicate a break in the main 'backbone' of the CAN harness. The first checks should always be to confirm the power and ground supplies to the non-communicating module are correct. Providing these are correct, the resistance between the CAN High and CAN Low lines at the J1962 connector can be checked to determine the integrity of the main 'backbone' of the CAN harness. After disconnecting the battery a reading of 120 ohms would indicate an open circuit in the main 'backbone' of the CAN harness. Alternatively, a reading of 60 ohms would indicate that there is no open circuit fault with the main 'backbone' of the CAN harness.
It is worth noting that even if one of the terminating modules is disconnected from the CAN harness, communications between the modules still connected may still be possible. Therefore communication between the manufacturer approved diagnostic system and the connected modules may also be possible.
Locating CAN Harness Open Circuits
In the case where multiple modules, including a terminating module, are failing to communicate, having first confirmed the power and ground supplies are correct, the approximate location of the open circuit can be identified from analysis of the Network Integrity test results and reference to the relevant CAN network circuit diagrams. For example, if an open circuit existed in a certain position on the CAN harness, any module positioned on the Network between the J1962 connector and the open circuit should return a response during the Network Integrity test. No responses would be returned from any modules past the open circuit fault in the Network.
CAN Harness 'Spur' Type Configuration Circuits
If, after the initial checks (Network Integrity test using the manufacturer approved diagnostic system, and power and ground supplies to the module have been checked and confirmed as correct), a module that is connected to the CAN harness via a 'spur' type configuration is suspected of not communicating, then the physical integrity of the CAN harness 'spur' can be checked.
This is most easily undertaken by individually checking the continuity of the CAN High and CAN Low lines between the non-communicating module connector (with the module disconnected) and the J1962 diagnostic connector.
'Lost Communications' DTCs
As well as the methods described so far in this document, which can be used to determine the location of an open circuit in the CAN harness, 'Lost Communications' DTCs can also be used for this purpose. Lost communication DTCs mean that a module is not receiving CAN information from another module.
For example, if a global DTC read were to be carried out, only DTCs stored in the modules that the manufacturer approved diagnostic system could communicate with would be displayed. If there was an open circuit fault in a certain position on the CAN harness, the modules that could display DTCs would all be prior to the open circuit on the Network, and these modules should display 'Lost Communications' DTCs with all the modules located on the Network past the open circuit fault.
'Bus off' DTCs
The references to bus and its condition refer to the network concerned and the modules on that network.
If a module logs a 'Bus Off' DTC, it means that the module has detected CAN transmission errors and has disabled it's own CAN transmissions and disconnected itself from the network in an attempt to allow the rest of the network to function. At this point the 'Bus Off' DTC is set. A common cause of 'Bus Off' DTCs can be a short circuit in the CAN network.
FLEXRAY
Control Module Connections to the FlexRay Harness
Control modules are connected to the FlexRay harness in a point to point and daisy chain type configuration. The Antilock Brake System Control Module (ABS) and Powertrain Control Module (PCM) are connected via a point to point connection. The Transmission Control Module (TCM) and Transfer Case Control Module (TCCM) (where fitted) are connected via the daisy chain connection (when a TCCM is fitted, if not the TCM would also be a point to point connection). In the daisy chain type configuration the FlexRay harness enters the module (via two connector pins) and then exits the module (via another two connector pins), as shown in the figure below.
.png)
A=FLEXRAY NETWORK
FlexRay Harness Architecture
For a detailed description of the FlexRay harness architecture, refer to the relevant Description and Operation section in the workshop manual.
FlexRay Communication Check
If a control module is suspected of non-communication, a communication check available on the Jaguar Land Rover approved diagnostic equipment can be used to confirm if communication is possible between the control modules on the vehicle with the Jaguar Land Rover approved diagnostic equipment. The results from the test can be used to determine if either a single module or multiple modules are failing to communicate. Refer to the pinpoint test below for the steps to diagnose a FlexRay network fault.
FlexRay Network Integrity
If the communication check indicates that one or more modules on the FlexRay network are failing to communicate, there are several checks that can be made. The first step is to identify if the terminating modules on the FlexRay network are communicating, the terminating modules (which are required at both ends of each branch of the network) are located within the Gateway Module (GWM), the Anti-lock Braking System Control Module (ABS), the Powertrain Control Module (PCM), and the Transmission Control Module (TCM). If the terminating modules for the FlexRay network are communicating (identified via the communication check), then it can be confirmed that the FlexRay harness is complete.
Communication with the FlexRay terminating modules via the communication check confirms the physical integrity of the FlexRay harness. This means that there is no requirement to check the resistance of the FlexRay network. This is because the standard check for 90-100 ohms across the BP (Bus Plus) and BM (Bus Minus) will not provide any additional information regarding the physical condition of the FlexRay harness, beyond what has already been determined from the communication check. If however a communication check reveals a terminating module is failing to communicate it can indicate a break in the FlexRay harness. The first checks should always be to confirm the power and ground supplies to the non-communicating module are correct. Providing these are correct, details for how to check the integrity of a terminating module can be found below.
Checking Terminating Module Integrity
Firstly disconnect the module power supply, then measure the resistance between the module FlexRay Bus Plus (BP) and Bus Minus (BM) terminals. The expected resistance for a terminating module is between 90 and 100Ω any reading outside of this parameter may indicate module failure.
.png)
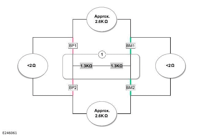
Checking Non-Terminating Module Integrity
Firstly disconnect the module power supply, then measure the resistance between the FlexRay terminals in the order listed below:
1. Bus Plus (BP) 1 and Bus Minus (BM) 1, the expected resistance for a non-terminating module is approximately 2.6 kΩ
2. Bus Plus (BP) 2 and Bus Minus (BM) 2, the expected resistance for a non-terminating module is approximately 2.6 kΩ
3. Bus Plus (BP) 1 and Bus Plus (BP) 2, the expected resistance for a non-terminating module is less than 2Ω
4. Bus Minus (BM) 1 and Bus Minus (BM) 2, the expected resistance for a non-terminating module is less than 2Ω
Any reading outside of these parameters may indicate a module failure.
.png)
Locating FlexRay Harness Open Circuits
In the case where multiple modules, including the terminating modules, are failing to communicate, having first confirmed the power and ground supplies are correct, the approximate location of the open circuit can be identified from analysis of the communication check results. No responses would be returned from any modules past the open circuit fault in the network (please refer to the diagram below). Any short circuit, open circuit, or high resistance faults detected on the FlexRay harness should be repaired in accordance with the Jaguar Land Rover approved wiring harness repair procedure maintaining 90 to 100 ohms across the FlexRay network, maintaining the wire twist rate (20mm+/-2mm for one full 360º twist), using no more than of five in-line connectors on each branch of the FlexRay network. For further information refer to section 418-02 Wiring Harness, Description and operation, in the workshop manual.
.png)
A=FLEXRAY NETWORK
FlexRay 'Bus off' DTCs
The references to bus and its condition refer to the network concerned and the modules on that network.
If a module logs a 'Bus off' DTC, it means that the network has detected FlexRay transmission errors and has disabled its own FlexRay transmissions and disconnected itself from the network in an attempt to allow the rest of the network to function. At this point the 'Bus off' DTC is set. A common cause of 'Bus off' DTCs can be a short circuit in the FlexRay network. Any short circuit, open circuit, or high resistance faults detected in the FlexRay harness should be repaired in accordance with the Jaguar Land Rover approved wiring harness repair procedure maintaining 100 ohms across the FlexRay network and also maintaining the wire twist rate.
FLEXRAY PINPOINT TESTS
PINPOINT TEST A : CHECKING FLEXRAY INTEGRITY
.png)
.png)
BROADR-REACH ETHERNET
The infotainment control modules use the BroadR-Reach Ethernet network connection to communicate, for a detailed description of the BroadR-Reach Ethernet network please refer to the relevant Description and Operation section of the workshop manual. The BroadR-Reach Ethernet network is constantly monitored by the modules connected, any fault within the BroadR-Reach Ethernet network raises a DTC in the associated module. For any related diagnostics to the BroadR-Reach Ethernet network, please check for DTCs and refer to the relevant DTC index.
Battery Junction Box
Body Control Module/Gateway Module Assembly
Rear Junction Box
Side Repeater Lamp Assembly
Engine Front Cover - Ingenium I4 2.0l Petrol