POWER FLOWS
Operation of the transmission is controlled by the TCM, which electrically activates various solenoids to control the transmission gear selection.
All gear shifts from 1st to 8th and 8th to 1st are known as 'overlap' shifts. Overlap shifts are during a gear shift 1 clutch must remain capable of transmitting torque at a reduced main pressure until the other clutch is ready to accept the torque.
.png)
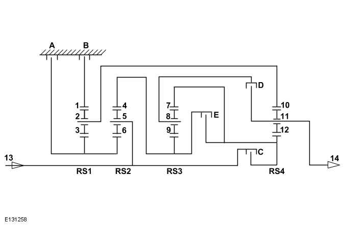
Engine torque is transferred, through operation of single or combinations of clutches to the 4 planetary gear trains. All gear trains are controlled by reactionary inputs from brake clutches to produce the 8 forward gears and 1 reverse gear.
The ratios are as follows:
.png)
SHIFT ELEMENTS
The shift elements, clutches and brakes are actuated hydraulically. ATF pressure is applied to the required clutch and /or brake, pressing the plates together and allowing drive to be transmitted through the plates. The purpose of the shift elements is to perform power-on shifts with no interruption to traction and smooth transition between gear ratios.
INSTRUMENT PANEL CLUSTER
The virtual display IPC is connected to the Body Control Module (BCM)/ Gateway Control Module (GWM) on the High Speed (HS) Controller Area Network (CAN) Human Machine Interface (HMI) systems bus. The TCM is connected to the BCM/ GWM on the FlexRay systems bus. Transmission status is transmitted by the TCM and displayed to the driver in 1 of 2 displays on the IPC.
MALFUNCTION INDICATOR LAMP
The Malfunction Indicator Lamp (MIL) is located on the Instrument Cluster (IC) display. Transmission related faults which may affect the vehicle emissions illuminates the MIL.
The MIL is illuminated by the PCM on receipt of a relevant fault message from the TCM on the FlexRay system bus.
The nature of the fault can be diagnosed using the Jaguar Land Rover (JLR) approved diagnostic equipment which reads the DTC, stored in the TCM memory.
TRASNMISSION STATUS DISPLAY
The transmission status display is located in the tachometer of the IPC and in the message center when in sport mode. The display shows the TCS position or the selected gear when in manual and sport modes.
The following table shows the displays and their descriptions:
P - PARK (P) selected
R - REVERSE (R) selected
N - NEUTRAL (N) selected
D* - DRIVE(D) and temporary manual mode selected ( * = current gear)
S* - SPORT (S) mode selected ( * = current gear)
MESSAGE CENTER
The message center is located in the virtual display IPC. The message center display relays vehicle status and operating information to the driver and can display messages relating to a number of vehicle systems. If a transmission fault occurs, the message 'GEARBOX FAULT' is displayed in the message center.
TRANSMISSION CONTROL MODULE
The TCM outputs signals to control the hydraulic operation of the transmission. Signals are sent to the shift control solenoid valves and the Electronic Pressure Regulating Solenoids (EPRSs).
The TCM processes signals from the transmission speed and temperature sensors, the TCS, the PCM and other vehicle systems.
From the received signal inputs and pre-programed data, the TCM calculates the:
The PCM supplies the engine management data over the FlexRay systems bus. The TCM requires engine data to efficiently control the transmission operation, for example:
The steering angle sensor and the Anti-Lock Brake System Control Module (ABS) also supply data to the TCM on the FlexRay systems bus. The TCM uses data from these systems to suspend gear changes when the vehicle is cornering and/or the ABS is controlling braking or traction control.
The BCM/ GWM supplies steering wheel paddle data over the FlexRay systems bus. The TCM uses this to schedule driver requested upshifts and downshifts.
Using the signal inputs and the memorized data, the TCM control program computes:
Special output side modules (power output stages, current regulator circuits), allow the TCM to control the solenoid valves and pressure regulators. This allows the TCM to precisely control the hydraulics of the automatic transmission.
In addition, the amount and duration of engine interventions are supplied to the engine management through the FlexRay systems bus.
The TCM determines the position of the TCS using signals from the TCS through the HS CAN Underbody (UN) systems bus.
The TCM transmits the position of the TCS and any manual gear selected on the FlexRay systems bus to the BCM/ GWM. This information is shown in the gear selector display in the IPC.
ENGINE STALL
If the engine stalls it coasts down in gear, with the transmission providing drive to the engine. A restart can be attempted at this point and the engine may start and the driver can continue.
If the coast down speed reduces such that the engine speed is less than 100 RPM, the transmission switches to NEUTRAL (N). DRIVE (D) illumination flashes in the IPC. The driver needs to select NEUTRAL (N) or PARK (P) and then press the brake pedal to restart the engine.
If the ignition switch is pressed when driving, the message 'ENGINE STOP BUTTON PRESSED' is displayed in the message center. There is no change to the ignition state. If the driver requires to switch off the engine, the ignition switch must be pressed for a second time. The engine is stopped and is back driven by the transmission as the vehicle coasts down.
CONTROL DIAGRAM
.png)
A = HARDWIRED:
AX = FLEXRAY BUS:
BA = HS CAN HMI SYSTEMS BUS:
BL = HS CAN UNDERBODY (UN) SYSTEMS
BUS.
Component Location, Overview
Description
Exterior Lighting - Control Diagram
Front Drive Axle and Differential - Description and
Operation